天津-凤江湖论坛,韶关栖凤阁论坛(全国信息),qm论坛品茶,51品茶全国一品楼,赣州51龙凤茶楼论坛

热线电话13916299677
图文传真021-66773338
电子邮箱sale@cnspump.com

产品简介


离心式卫生泵、SCP型不锈钢卫生级离心泵的结构型式为单级、单吸(非自吸型)、全封闭离心泵,具有结构精巧、噪音低、卫生、使用效能高等特点。

卫生泵组成部件有:

a.泵体部分:由蜗壳形泵盖、泵座(后盖)、连接电机支架组成;

b.转子部分:由叶轮、泵轴、联轴器、叶轮螺母组成;

c.密封部分:由泵轴机械密封件、泵座(后盖)0型橡胶密封圈组成;

d.传动部分:叶轮通过联轴器与电机直联,电机按工艺要求采用普通电机或防爆电机;

e.支脚形式:可调节式(4只支脚,支脚高度可通过4抆螺栓进行适当调节)。

离心式卫生泵、SCP型不锈钢卫生级离心泵为使被输送液料的卫生,泵体内与液料接触的部件和外露可见的部分均选用不锈钢(SUS304或SUS316L)材料制造,卫生泵的泵盖与泵座(后盖)的内表面与叶轮等均做亚光或镜面抛光处理。

泵轴机械密封采用硬质合金与碳化硅定制而成,提高了耐磨性与自润性,延长了使用寿命,降低生产成本。

离心式卫生泵、SCP型不锈钢卫生级离心泵工作原理:

由装配在泵轴上具有若干向后弧形弯曲叶片的叶轮在电动机带动下高速旋转,使叶片流道上的液体在离心力的驱动下,从叶轮中心被甩向叶轮外缘,以较高的流速流入蜗壳形泵盖内并汇入出料口处送出。同时,在蜗壳形泵盖中心形成一定真空度,使液料不断从进料口被吸入泵腔内,并持续不断从出料口输出液料。

型号意义


SCP型不锈钢卫生泵型号意义

选型范围


SCP型不锈钢卫生泵广泛用于食(乳)品、饮料、酿造及制药、生物工程、化工等行业的液体物料输送,并可用于与过滤机、灭菌机、CIP就地清洗机等配套使用。

性能参数本数据仅供参考,请以实际订货为准!


SCP型不锈钢卫生泵性能参数表

型号 流量(t/h) 扬程(m) 动机功率(KW) 进出口径(mm) 备注
SCP-1.5-14 1.5 14 0.5 38/25 配ABB电机
SCP-3-14 3 14 1.1 38/38 配ABB电机
SCP-5-24 5 24 1.5 51/38 配ABB电机
SCP-5-30 5 30 2.2 51/38 配ABB电机
SCP-10-24 10 24 2.2 50/40 配ABB电机
SCP-10-36 10 36 3 50/40 配ABB电机
SCP-15-24 15 24 3 50/50 配ABB电机
SCP-15-36 15 36 4 50/50 配ABB电机
SCP-20-24 20 24 4 50/50 配ABB电机
SCP-20-36 20 36 5.5 50/50 配ABB电机
SCP-30-24 30 24 5.5 65/50 配ABB电机
SCP-30-36 30 36 7.5 65/50 配ABB电机
SCP-40-36 40 36 11 80/65 配ABB电机
SCP-60-40 60 40 15 80/80 配ABB电机
SCP-80-30 80 30 15 100/85 配ABB电机
SCP-80-40 80 40 18.5 100/85 配ABB电机
SCP-100-50 100 50 25 125/100 配ABB电机
SCP-150-50 150 50 37 125/100 配ABB电机
SCP-200-50 200 50 55 150/125 配ABB电机

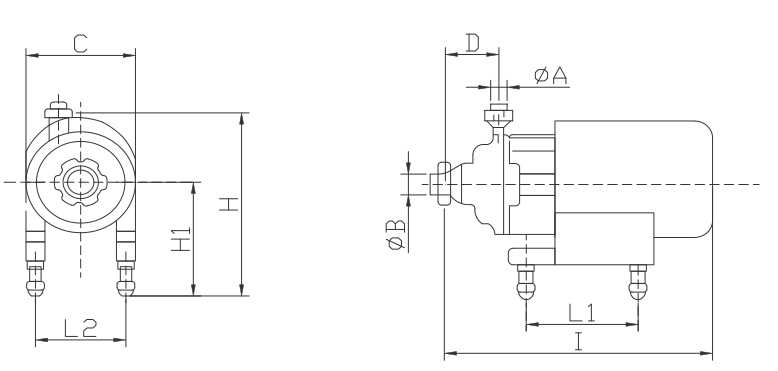
结构图纸


安装尺寸本数据仅供参考,请以实际订货为准!


型号 A B L LI L2 H HI C D
1.5T(14m) 32 25 500 165 112 260-280 140-160 250 68
3T(14m) 38 32 515 184 125 282-302 152-172 274 70
5T(24m) 38 38 580 200 140 302-322 152-172 300 80
5T(30m) 38 38 580 200 140 302-322 152-172 300 83
10T(24m) 38 51 590 230 140 400-450 220-270 300 88
10T(36m) 38 51 660 240 160 420-470 220-270 350 88
15T(24m) 51 51 660 240 160 420-470 220-270 350 97
15T(36m) 51 51 725 260 216 440-490 630-300 350 97
20T(24m) 51 51 660 240 160 420-470 220-270 350 97
20T(36m) 51 51 725 260 216 443-493 263-313 350 97
30T(24m) 51 63 725 260 216 443-493 263-313 350 97
30T(36m) 51 63 725 260 216 443-493 263-313 350 123
40T(36m) 63 63 950 450 250 570-620 350-380 500 123
80T(30m) 76 76 970 460 270 570-620 350-380 500 123
100T(50m) 76 101 1110 540 335 600-620 410-515 500 148
150T(50m) 101 125 1110 540 335 600-620 410-515 600 150
200T(50m) 125 150 1120 580 340 600-650 410-520 700 178

使用说明


  • 启动前操作程序
  启动卫生泵前,要先关闭泵出料口阀门,以减少起动负荷,再打开进料口阀门使液料进入泵腔内进行灌泵(若泵的进口高于吸入液位时,应先对泵腔内灌入输送液体进行灌泵)。 注意:严禁在无介质的状态下启动电机运转,空转将导致机械密封干磨而损坏!  
  • 运行操作程序
  1、泵腔内进液料后,启动电机,并缓慢打开泵出料口阀门。 2、通过对出料口阀门的开度调节,调节液料输出流量至所需工况(流量、扬程、效率及功率消耗需符合该泵的工作要求,不得超负荷使用)。 注意:卫生泵在运转的状态下,泵的进口处阀门应芫全打开,不允许用进料口阀门来调节泵的流量,以免发生气蚀!    
  • ?;僮鞒绦?/li>
  停泵前,应先关闭泵的出口阀门,使泵卸载并防止液体倒灌,然后再停泵。    
  • 清洗操作程序
  卫生泵在使用完毕后,应立即进行CIP清洗,以防料液粘附影响卫生。如无CIP清洗则需进行人工清洗,清洗时先用热水(?60℃)通入泵腔内循环冲洗,然后拆下泵盖,用毛刷刷洗泵腔内表面、叶轮等与料液接触的所有部件,再用清水冲洗干净。

维护保养


1.润滑:SCP型不锈钢卫生泵除电机应遵照电机生产厂推荐的用油和润滑周期进行润滑保养外,泵体、泵轴一般不需要加注润滑脂或润滑油。 2.若长时间?;们荒诘牟幸号啪?,以防料液粘附。 3.定期检查叶轮、机械密封件、橡胶密封圈的磨损情况,如有损坏应及时更换。 4.机械密封件的更换操作程序: (1)将与泵进出口端连接的阀门、连接件拆卸; (2)开泵盖(12)与泵座(后盖)(7)连接的紧固螺母(14),取下泵盖与0型橡胶密封圈(8); (3)用扳手工具逆时针方向控开叶轮(10)前端的压紧螺母(11),拆下叶轮; (4)从叶轮后端取下已损坏的机械密封动环(19); (5)拧开泵体连接螺栓(24),取下泵座(后盖)(7),从泵座(后盖)上取下已损坏的机械密封静环; (6)用扳手将联轴器(4)上的螺栓逐一拧下,取下泵轴(13); (7)已损坏的机械密封动/静环取出后,将新的机械密封动/静环按上述的拆卸步骤的相反次序装配,并依次将叶轮、叶轮的紧定螺母、泵盖等装上。 (8)装配完毕后,用手转动叶轮数转,泵轴旋转应轻柔无异常噪音,否则,需重新进行装配。 注意:机械密封安装规范与否将直接影响泵的使用性能,因此,在装配前,要将各零部件清洁干净,在机械密封0型圈与密封端面涂抹食品级硅油润滑,并检查新的机械密封表面有否划痕损坏,装配时要格外细心操作!。 5.易损部件:进出料口橡胶密封圈、泵盖0型橡胶密封圈、轴封用机械密封件。

注意事项


卫生泵在运转中,如发现有下列异常现象时,应立即?;觳椴⒓笆迸懦收?。 1.电机过热或其中某一相短(断)路,电流测量示值过大或过小; 2.电机或泵体发出异常噪音或异常振动; 3.卫生泵的出口压力表指针示值下跌; 4.机械密封件'橡胶密封圏损坏导致明显泄漏(卫生泵在使用时,从轴封下端泄液口可观察密封件有否泄漏,机械密封泄漏量<3mL/h,应经常检查机械密封件的磨损情况)。

故障排除


序号 故障现象 故障原因 故障排除方法
泵不能启动或启动负荷大 1.电动机或电源不正常 1.检修电动机或电源
2.泵卡住 2.检修泵盖、叶轮
泵不排液 1.灌液不足或气囊未排尽 1.重新灌泵
2.叶轮转向有误 2.检查并更正叶轮转向
3转速太低 3.检查转速
排液突然中断 1.进料管路中漏气 1.检修进料管路连接处及密封垫
2.气囊未排尽 2.重新按要求灌泵
3.吸入处被异物堵住 3.停泵后清除异物
流量不足 1.同(二)(三) 1.采取上述相应措施
2.系统静扬程增加 2.检查液体高度和系统压力
3.阻力损失增加 3.检修管道及逆止阀
扬程不足 1.同二/三、1;四、4 1.采取上述相应措施
2.液料比重、粘度与该泵不符 2.检查物料性质或重新选泵
运转中功耗过大 1.叶轮与泵盖有摩擦 1.检查泵盖内零部件
2.同五、3 2.采取上述相应措施
3.液料密度或粘度增加 3.检查液料密度或粘度
发生振动或声音不正常 1.同三、4 1.采取上述相应措施
2.发生喘振 2.检查扬程和压力的高低
3.叶轮损坏 3.检修或更换叶轮
轴封漏液 1.机械密封件磨损 1.更换机械密封件
泵盖法兰处漏液 1.泵盖0型橡胶密封圏没有放入沟槽内或损坏 1.拆开泵盖,将密封圈重新放置正确或更换 橡胶密封圈
2.泵盖螺栓(或卡箍)未紧固 2.重新均匀紧固螺栓(或卡箍)

上一产品:
下一产品:没有了,已经是最新的产品。