产品简介
中成泵业生产的QBY系列气动隔膜泵是一种新型输送机械,采用压缩空气为动力源,对于各种腐蚀性液体,带颗粒的液体,高粘度、易挥发、易燃、剧毒的液体,均能予以抽光吸尽。其性能参数与联邦德国的WLLDENPVMPS、美国的MARlOWPUMPS相近。
隔膜泵主要用途
- 泵吸花生酱、泡菜、土豆泥、小红肠、果酱苹果浆、巧克力等。
- 泵吸油漆、树胶、颜料。
- 粘合剂和胶水、全部种类可用泵吸取。
- 各种瓦、瓷、砖器及陶器釉浆。
- 油井钻好后,用泵吸沉积物及灌浆。
- 泵吸各种乳剂和填料。 .
- 泵吸各种污水。
- 用泵为油轮,驳船清仓吸取仓内污水。
- 啤酒花及发酵粉稀浆、糖浆、糖密。
- 泵吸矿井、坑道、隧道、选矿、矿渣中的积水。泵吸水泥灌浆及灰浆。
- 各种橡胶浆。
- 各种磨料、腐蚀剂、石油及泥浆、清洗油垢及一般容器。
- 各种剧毒、易燃、易挥发液体。
- 各种强酸、强碱、强腐蚀液体。
- 各种高温液体最高可耐150℃。
- 作为各种固液分离设备的前级送压装置。
几种隔膜材料特性
| 隔膜品种 介质种类 |
丁睛橡胶 |
氯丁橡胶 |
氟橡胶 |
聚四氟乙烯 |
食品橡胶 |
| 发烟硝酸 |
× |
× |
△ |
△ |
|
| 浓硝酸 |
× |
× |
△ |
△ |
|
| 浓硫酸 |
× |
× |
○ |
△ |
|
| 浓盐酸 |
× |
△ |
△ |
△ |
|
| 浓磷酸 |
× |
△ |
△ |
△ |
|
| 浓醋酸 |
× |
× |
× |
△ |
|
| 浓氢氧化钠 |
○ |
○ |
△ |
△ |
|
| 无水氨 |
△ |
△ |
△ |
△ |
|
| 稀硝酸 |
× |
× |
○ |
△ |
|
| 稀硫酸 |
△ |
△ |
△ |
△ |
|
| 稀盐酸 |
× |
○ |
△ |
型号意义
产品优势
QBY气动隔膜泵既能抽送流动的液体,又能输送一些不易流动的介质,具有自吸泵、潜水泵、屏蔽泵、泥浆泵和杂质泵等瑜送机械的许多优点。
- 不需灌引水,吸程高达7M,扬程达50M,出口压力≥6kgf/cm2。
- 流动宽蔽,通过性能好,允许通过最大颗粒,直径达10mm抽送泥浆、杂质时,对泵磨损甚微。3、扬程、流量可通过气阀开度实现无级调节。(气压调节在1-7kg/cm2之间)。
- 该泵无旋转部件,没有轴封隔膜将抽送的介质与泵的运动部件,工作介质完全隔开,所输送的介质不会向外泄漏。所以抽送有毒,易挥发或腐蚀性介质时,不会造成环境污染和危害人身安全。
- 不必用电,在易燃、易爆场所使用安全可靠。
- 可以浸没在介质中工作。
- 使用方便、工作可靠、开停泵只需简单地打开和关闭气体阀门,即使由于意外情况而长时间地无介质运行或突然?;?,泵也不会因此而损坏,一旦超负荷,泵便会自动停机,具有自我?;ば阅?,当负荷恢复正常以后,又能自动启动运行。
- 结构简单、易损件少,该泵结构简单、安装、维修方便,泵输送的介质不会接触到配气阅,联杆等运动部件,不象其他类型的泵因转子、活塞、齿轮、叶片等部件的磨损而使性能逐步下降。
- 可输送较粘的液体。(粘度在1万厘泊以下)
- 本泵无须用油润滑,即使空转,对泵也无任何影响。这是该泵一大特点。
选型范围
- 流量:0-30m3/h
- 扬程:0-40m
- 口径:10-100mm
- 温度:-15-+120℃
- 压力:0.1-0.7MPa
- 自吸高度:5m
| 型号 |
流量 (m3/h) |
扬程 (m) |
出口压力 (kgf/cm2) |
吸程 (m) |
最大允 许能 过颗粒 直径 (mm) |
最大供气 压力 (kbf/cm2) |
最大供气 消耗量 (m3/min) |
材料 |
| 铝合金 |
不锈钢 |
铸造铁 |
增强聚丙烯 |
| QBY-10 |
0~0.8 |
0~40 |
6 |
5 |
1 |
7 |
0.3 |
★ |
★ |
★ |
★ |
| QBY-15 |
0~1 |
0~40 |
6 |
5 |
1 |
7 |
0.3 |
★ |
★ |
★ |
★ |
| QBY-25 |
0~2.4 |
0~40 |
6 |
5 |
2.5 |
7 |
0.6 |
★ |
★ |
★ |
★ |
| QBY-40 |
0~8 |
0~40 |
6 |
5 |
4.5 |
7 |
0.6 |
★ |
★ |
★ |
★ |
| QBY-50 |
0~12 |
0~40 |
6 |
5 |
8 |
7 |
0.9 |
★ |
★ |
★ |
/ |
| QBY-65 |
0~16 |
0~40 |
6 |
5 |
8 |
7 |
0.9 |
★ |
★ |
★ |
/ |
| QBY-80 |
0~24 |
0~40 |
6 |
5 |
10 |
7 |
1.5 |
★ |
★ |
★ |
/ |
| QBY-100 |
0~30 |
0~40 |
6 |
5 |
10 |
7 |
1.5 |
★ |
★ |
★ |
/ |
注:★-有 ∕-无
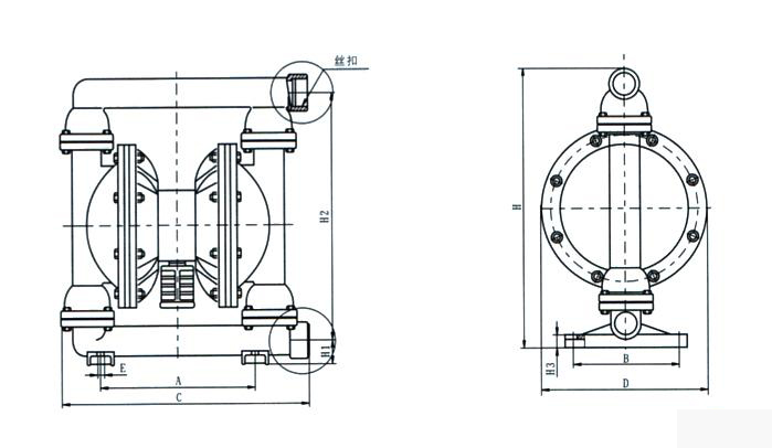
结构图纸


1 进气口 2 配气阀体 3 配气阀 4 圆球 5 球座 6 隔膜 7 连杆 8 连杆铜套 9 中间支架 10 泵进口 11 排气口
安装尺寸本数据仅供参考,请以实际订货为准!
| 型号 |
A |
B |
C |
D |
E |
H1 |
H2 |
H3 |
G |
丝扣 |
备注 |
| QBY-10 |
120 |
58 |
210 |
140 |
10 |
40 |
255 |
12 |
270 |
3/8” |
工程塑料、氟塑料 |
| QBY-15 |
120 |
58 |
210 |
140 |
10 |
40 |
255 |
12 |
270 |
1/2” |
| QBY-10 |
120 |
0 |
210 |
140 |
12 |
30 |
220 |
10 |
240 |
3/8” |
铸铁、不锈钢、铝合金 |
| QBY-15 |
120 |
0 |
210 |
140 |
12 |
30 |
220 |
10 |
240 |
1/2” |
| 型号 |
A |
B |
C |
D |
E |
H1 |
H |
丝扣 |
备注 |
| QBY-10 |
160 |
0 |
200 |
160 |
10 |
40 |
260 |
3/8” |
铸铁、不锈钢、铝合金 |
| QBY-15 |
160 |
0 |
200 |
160 |
10 |
40 |
260 |
1/2” |
| QBY-20 |
180 |
155 |
300 |
200 |
10 |
40 |
400 |
3/4” |
| QBY-25 |
210 |
160 |
320 |
230 |
12 |
50 |
470 |
1” |
| QBY-40 |
210 |
160 |
320 |
230 |
12 |
50 |
470 |
11/2” |
| 型号 |
A |
B |
D5 |
D6 |
C |
H |
H1 |
DN1 |
DN2 |
n-d1 |
n-d2 |
D3 |
D4 |
E |
n-d4 |
进气口 外径 |
备注 |
| QBY-25 |
215 |
150 |
100 |
100 |
380 |
530 |
70 |
25 |
25 |
4-Φ11 |
4-Φ11 |
75 |
75 |
55 |
4-Φ10 |
10 |
工氟 程塑 塑料料, |
| QBY-40 |
215 |
150 |
130 |
120 |
380 |
530 |
70 |
40 |
32 |
4-Φ13.5 |
4-Φ13.5 |
100 |
90 |
55 |
4-Φ10 |
10 |
| QBY-25A |
220 |
160 |
110 |
110 |
370 |
575 |
68 |
25 |
25 |
4-Φ11 |
4-Φ11 |
75 |
75 |
80 |
4-Φ12 |
10 |
铸 铁 、 不 锈 钢 、 铝 合 金 |
| QBY-40A |
220 |
160 |
130 |
120 |
370 |
575 |
68 |
40 |
32 |
4-Φ13.5 |
4-Φ13.5 |
100 |
90 |
80 |
4-Φ12 |
10 |
| QBY-50 |
340 |
240 |
140 |
140 |
550 |
800 |
65 |
50 |
50 |
4-Φ13.5 |
4-Φ13.5 |
110 |
110 |
145 |
4-Φ17.5 |
12 |
| QBY-65 |
340 |
240 |
160 |
160 |
550 |
800 |
70 |
65 |
65 |
4-Φ13.5 |
4-Φ13.5 |
130 |
130 |
145 |
4-Φ17.5 |
12 |
| QBY-80 |
340 |
240 |
190 |
190 |
580 |
950 |
100 |
80 |
80 |
4-Φ17.5 |
4-Φ17.5 |
150 |
150 |
130 |
4-Φ17.5 |
14 |
| QBY-100 |
340 |
240 |
210 |
190 |
580 |
950 |
100 |
100 |
80 |
4-Φ17.5 |
4-Φ17.5 |
170 |
170 |
130 |
4-Φ17.5 |
14 |
使用说明
气动隔膜泵应用实例
- 油罐清底,尽管有垫水法抽油,也不能保证将油抽净,表面总要剩下至少3-5mm厚的油层。以5000m3油罐为例,每次大约损耗1-1.5t油。对于有低位脱水槽的油罐,虽可将剩下的油和水排放到含油污水处理场回收,但是挥发的油品在输送过程中大都挥发殆尽,且污染环境。
- 临时倒罐、装卸车和油品采样,炼油生产调度过程中,油品经常要临时倒罐、装车和对油罐中油品采样检验。或者为了不至于污染正常的管线时,用隔膜泵接临时管线可以迅速方便地完成此项任务。
- 油轮仓底油回收一条3000t的油轮用固定螺杆泵卸油,仓库隔板之间至少要剩余50t油,若用排量较大的隔腆泵,可以收到很好的效果。
- 瓦斯、硫化氢残液的输送炼油厂火炬底部的瓦斯残液和含硫水,需要集中排放和处理,否则会形成酸性腐蚀设备。
- 陶瓷行业:用该泵抽吸釉浆,并可用于向压滤机送压。
- 下水井、暗沟排除渍水、污油在下水井管道,阀门及暗沟检修时,需要排除渍水和污油。用潜水泵虽可抽尽溃水,但往往这些地方都远离电源,很不方便。使用隔膜泵则可采用压縮气瓶作动力,回收污油,排泄溃水。
- 污水处理场和污泥池的清扫污水处理场的污泥池,常常聚积大量的油泥和淤沙,需要清扫,采用隔膜泵抽吸灵活、方便省工、省力、省时。
- 液化气泵房和化验室排渍水,由于这些地方地势较低,又是一级防火区,采用隔膜泵排渍水比较安全,比用水抽子、汽抽子效率高出好多倍。
- 此外,此泵应用于环烷酸精制转料,装车亚硫酸纳液体输送,苯类原料装卸车等方面都有它自己的优势。
将液体从A容器抽送到B容器可用此法。

将泵浸在液体中,可代替潜水泵使用,压缩空气另用软管引出。

高粘稠液体可采用此种方法将液位提高,使液料容易抽出。
注意事项
- 本泵振太轻微,一般情况可不装底脚螺栓。
- 如压缩空气有脏物进入,将会影响泵的正常启动,建议用户加装气动三联件。
- 在抽吸易冻结的介质时,应在泵的进口处装阀门,当停止用泵时,先将该阀关闭,然后再开泵数分钟,将泵体介质排净为止以免造成下次开泵困难。
- 更换隔膜时,须将泵内腕连杆,铅套清洗干净,并不要损坏白色四氟密封圈,按原样装好,即可使用。