产品简介
NZW型无堵塞自吸式排污泵适用于市政污水和工业废水的处理工程,以及各类废水分级处理 和集中处理系统,是理想的新一代污水录产品。
- 性能稳定、使用可靠;
- 自吸快、吸入度高;
- 后拉出结构:维修、排障方便。只需要普通工具就可以快速完成曰常维护,省时省力;
- 开式叶轮结构,无堵塞设计,通过能力强;
- 使用方便:只需将录安装在污水坑边并将吸水管伸入液面以下就可工作。(泵初次启动需灌满水)。
适用范围
- 用于处理非易燃、易爆液体;
- 雨水和一般污水;
- 市政排污工程、建筑工地、人防系统排水站;
- 轻工、造纸、纺织、食品、化工、电业、矿山等工业废水;
- 住宅区的污水排放;
- 水净化系统的污水及沉淀物;
- 制革业、屠宰场污水、河塘养殖业;酿酒业和食糖业;
- 不具有强腐蚀性但已被严重污染的污水排放。
型号意义
选型范围
.液体温度:0°C~40°C,介质密度≤1.2X103kg/m3, pH值5~9;
?介质中固体物的容积比≤2%;
?最大通过颗粒直径:SP-2 38mm; SP-3 63mm; SP-4/SP-6/SP-8/SP-10 76mm; .环境温度:≤40 °C;海拔:最高1000m;
?流量使用范围:10m3/h~750m3/h;
?扬程使用范围:3m~38m;
?配套功率范围:1.1kW~90kW;
?最大工作压力:见性能曲线;
?最大吸程:见性能表。
| 型号 |
转速 |
流量Q |
扬程 H |
配套功率 |
进出口 直径 |
通过颗粒 直径 |
最大 吸程 |
| RPM |
m3/h |
1/s |
m |
kW |
HP |
mm |
mm |
m |
| NZW-2 |
1150 |
15 |
4.2 |
4.0 |
1.1 |
1.5 |
50 (2,) |
38 |
5.0 |
| 1450* |
20 |
5.6 |
6.5 |
1.5 |
2 |
6.5 |
| 1750 |
25 |
6.9 |
9.5 |
3 |
4 |
6.5 |
| 2050 |
28 |
7.8 |
13.5 |
4 |
5.5 |
6.5 |
| 2350 |
32 |
8.9 |
18.0 |
7.5 |
10 |
6.5 |
| 2650 |
35 |
9.7 |
23.0 |
7.5 |
10 |
6.5 |
| 2900* |
40 |
11.1 |
27.0 |
9.2 |
12.5 |
6.5 |
| 型号 |
转速 |
流量Q |
扬程 H |
配套功率 |
进出口 直径 |
通过颗粒 直径 |
最大 吸程 |
| RPM |
m3/h |
1/s |
m |
kW |
HP |
mm |
mm |
m |
| NZW-3 |
650 |
25 |
6.9 |
2 |
0.75 |
1 |
|
|
1.5 |
| 750* |
30 |
8.3 |
3 |
1.5 |
2 |
|
|
1.8 |
| 850 |
32.5 |
9.0 |
4 |
1.5 |
2 |
|
|
2.4 |
| 950* |
40 |
11.1 |
4.5 |
1.5 |
2 |
|
|
3.0 |
| 1050 |
42.5 |
11.8 |
5.5 |
3 |
4 |
|
|
4.0 |
| 1150 |
45 |
12.5 |
7 |
4 |
5.5 |
|
|
4.9 |
| 1250 |
50 |
13.9 |
8 |
4 |
5.5 |
|
|
5.5 |
| 1350 |
52.5 |
14.6 |
10 |
5.5 |
7.5 |
80 |
63 |
5.8 |
| 1450* |
55 |
15.3 |
11.5 |
5.5 |
7.5 |
(3,) |
6.4 |
| 1550 |
60 |
16.7 |
12.5 |
1.5 |
10 |
|
|
6.4 |
| 1650 |
65 |
18.1 |
14.5 |
11 |
15 |
|
|
6.7 |
| 1750 |
70 |
19.4 |
16 |
11 |
15 |
|
|
6.7 |
| 1850 |
72.5 |
20.1 |
18 |
15 |
20 |
|
|
7.6 |
| 1950 |
75 |
20.8 |
20 |
15 |
20 |
|
|
7.6 |
| 2050 |
80 |
22.2 |
22.5 |
18.5 |
25 |
|
|
7.6 |
| 2150 |
85 |
23.6 |
24.5 |
18.5 |
25 |
|
|
7.6 |
| 型号 |
转速 |
流量Q |
扬程 H |
配套功率 |
进出口 直径 |
通过颗粒 直径 |
最大 吸程 |
| RPM |
m3/h |
1/s |
m |
kW |
HP |
mm |
mm |
m |
| NZW-4 |
650 |
40 |
11.1 |
3 |
1.5 |
2 |
|
|
1.5 |
| 750* |
45 |
12.5 |
4 |
1.5 |
2 |
|
|
2.4 |
| 850 |
53 |
14.7 |
5 |
2.2 |
3 |
|
|
4.9 |
| 950* |
60 |
16.7 |
6 |
3 |
4 |
|
|
5.8 |
| 1050 |
65 |
18.1 |
7.5 |
5.5 |
7.5 |
|
|
6.7 |
| 1150 |
72 |
20 |
9 |
5.5 |
7.5 |
|
|
7.3 |
| 1250 |
80 |
22.2 |
10.5 |
7.5 |
10 |
100 |
76 |
7.6 |
| 1350 |
85 |
23.6 |
12.5 |
11 |
15 |
(4,) |
7.6 |
| 1450* |
100 |
27.8 |
13.5 |
11 |
15 |
|
|
7.6 |
| 1550 |
110 |
30.6 |
15.5 |
15 |
20 |
|
|
7.6 |
| 1650 |
115 |
31.9 |
18 |
18.5 |
25 |
|
|
7.6 |
| 1750 |
120 |
33.3 |
20 |
22 |
30 |
|
|
7.6 |
| 1850 |
130 |
36.1 |
22.5 |
30 |
40 |
|
|
7.6 |
| 1950 |
135 |
37.5 |
25 |
30 |
40 |
|
|
7.6 |
| 型号 |
转速 |
流量Q |
扬程 H |
配套功率 |
进出口 直径 |
通过颗粒 直径 |
最大 吸程 |
| RPM |
m3/h |
1/s |
m |
kW |
HP |
mm |
mm |
m |
| NZW-6 |
650 |
100 |
27.8 |
3.5 |
3 |
4 |
|
|
2.4 |
| 750* |
125 |
34.7 |
4.5 |
4 |
5.5 |
|
|
2.7 |
| 850 |
150 |
41.7 |
5.5 |
7.5 |
10 |
|
|
3.6 |
| 950* |
160 |
44.4 |
7.5 |
7.5 |
10 |
|
|
4.2 |
| 1050 |
180 |
50.0 |
9.0 |
11 |
15 |
150 |
76 |
5.5 |
| 1150 |
200 |
55.6 |
10 |
15 |
20 |
(6,) |
6.4 |
| 1250 |
220 |
61.1 |
12.5 |
22 |
30 |
|
|
6.4 |
| 1350 |
230 |
63.9 |
15 |
30 |
40 |
|
|
6.7 |
| 1450* |
250 |
69.4 |
17 |
30 |
40 |
|
|
7.0 |
| 1550 |
280 |
77.8 |
18 |
37 |
50 |
|
|
7.6 |
| 型号 |
转速 |
流量Q |
扬程 H |
配套功率 |
进出口 直径 |
通过颗粒 直径 |
最大 吸程 |
| RPM |
m3/h |
1/s |
m |
kW |
HP |
mm |
mm |
m |
| NZW-8 |
650 |
200 |
55.6 |
6 |
7.5 |
10 |
|
|
2.7 |
| 750* |
230 |
63.9 |
8 |
11 |
15 |
|
|
3.7 |
| 850 |
260 |
72.2 |
10 |
15 |
20 |
|
|
4.6 |
| 950* |
300 |
83.3 |
12 |
22 |
30 |
200 (8,) |
|
5.2 |
| 1050 |
320 |
88.9 |
15 |
30 |
41 |
76 |
6.1 |
| 1150 |
350 |
91.2 |
18 |
37 |
50 |
|
6.4 |
| 1250 |
400 |
111.1 |
20 |
55 |
75 |
|
|
6.7 |
| 1350 |
450 |
125.0 |
23 |
75 |
102 |
|
|
7 |
| 1450* |
500 |
138.9 |
26 |
75 |
102 |
|
|
7 |
| 型号 |
转速 |
流量Q |
扬程 H |
配套功率 |
进出口 直径 |
通过颗粒 直径 |
最大 吸程 |
| RPM |
m3/h |
1/s |
m |
kW |
HP |
mm |
mm |
m |
| NZW-10 |
650 |
250 |
69 |
6.5 |
11 |
15 |
|
|
2.1 |
| 750* |
300 |
83 |
8.5 |
15 |
20 |
|
|
3.4 |
| 850 |
350 |
97 |
11 |
22 |
30 |
|
|
4.3 |
| 950* |
400 |
111 |
13 |
30 |
41 |
250 (10 丨) |
|
5.2 |
| 1050 |
450 |
125 |
16 |
45 |
61 |
76 |
5.5 |
| 1150 |
500 |
139 |
19 |
55 |
75 |
|
5.5 |
| 1250 |
525 |
146 |
23 |
75 |
102 |
|
|
5.8 |
| 1350 |
550 |
153 |
27 |
90 |
122 |
|
|
6.7 |
| 1450* |
600 |
167 |
31 |
90 |
122 |
|
|
6.7 |
NZW三角带变速传动参数
| 泵型号 |
配套电机 |
电机端带轮 |
泵端带轮 |
三角带 |
| 功率 kW |
型号 |
型号 |
带轮外径 mm |
型号 |
带轮外径 mm |
型号 |
基准 带长 |
根数 |
| NZW-2(1150) |
1.1 |
YE2-90S-4 |
VA2-85 |
90.5 |
VA2-100 |
105.5 |
A |
990 |
2 |
| NZW-2(1750) |
3 |
YE2-100L-2 |
VA3-85 |
90.5 |
VA3-132 |
137.5 |
A |
990 |
3 |
| NZW-2(2050) |
4 |
YE2-112M-2 |
VA3-100 |
105.5 |
VA3-132 |
137.5 |
A |
1100 |
3 |
| NZW-2(2350) |
7.5 |
YE2-132S2-2 |
VA4-100 |
105.5 |
VA4-120 |
125.5 |
A |
1250 |
4 |
| NZW-2(2650) |
7.5 |
YE2-132S2-2 |
VA3-118 |
123.5 |
VA3-125 |
130.5 |
A |
1250 |
3 |
| NZW-3(650) |
0.75 |
YE2-80M2-4 |
VA2-80 |
85,5 |
VA2-160 |
165.5 |
A |
1250 |
2 |
| NZW-3(850) |
1.5 |
YE2-90L-4 |
VA2-80 |
85.5 |
VA2-125 |
130.5 |
A |
1250 |
2 |
| NZW-3(1050) |
3 |
YE2-100L-6 |
VA3-90 |
95.5 |
VA3-120 |
125.5 |
A |
1250 |
3 |
| NZW-3(1150) |
4 |
YE2-112M-4 |
VA3-100 |
105.5 |
VA3-120 |
125.5 |
A |
1430 |
3 |
| NZW-3(1250) |
4 |
YE2-112M-4 |
VA3-100 |
105.5 |
VA3-112 |
117.5 |
A |
1430 |
3 |
| NZW-3(1350) |
5.5 |
YE2-132S1-4 |
VA4-125 |
130.5 |
VA4-130 |
135.5 |
A |
1430 |
4 |
| NZW-3(1550) |
7.5 |
YE2-132S2-2 |
VA3-125 |
130.5 |
VA3-224 |
229.5 |
A |
1430 |
3 |
| NZW-3(1650) |
11 |
YE2-160M1-2 |
VA4-125 |
130.5 |
VA4-212 |
217.5 |
A |
1560 |
4 |
| NZW-3(1750) |
11 |
YE2-160M1-2 |
VA4-125 |
130.5 |
VA4-200 |
205,5 |
A |
1560 |
4 |
| NZW-3(1850) |
15 |
YE2-160M2-2 |
VB4-132 |
139 |
VB4-200 |
207 |
B |
1560 |
4 |
| NZW-3(1950) |
15 |
YE2-160M2-2 |
VB4-125 |
132 |
VB4-180 |
187 |
B |
1560 |
4 |
| NZW-3(2050) |
18.5 |
YE2-160L-2 |
VB4-160 |
167 |
VB4-224 |
231 |
B |
1560 |
4 |
| NZW-3(2150) |
18.5 |
YE2-160L-2 |
VB4-160 |
167 |
VB4-212 |
219 |
B |
1560 |
4 |
| NZW-4(650) |
1.5 |
YE2-90L-4 |
VA2-85 |
90,5 |
VA2-180 |
185.5 |
A |
1430 |
2 |
| NZW-4(850) |
2.2 |
YE2-100L1-4 |
VA3-90 |
95.5 |
VA2-150 |
155.5 |
A |
1430 |
2 |
| NZW-4(1050) |
5.5 |
YE2-132S-4 |
VA3-125 |
130.5 |
VA3-160 |
165.5 |
A |
1550 |
3 |
| NZW-4(1150) |
5.5 |
YE2-132S-4 |
VA3-125 |
130.5 |
VA3-150 |
155.5 |
A |
1550 |
3 |
| NZW-4(1250) |
7.5 |
YE2-132M-4 |
VA4-125 |
130.5 |
VA4-140 |
145.5 |
A |
1550 |
4 |
| NZW-4(1350) |
11 |
YE2-160M-4 |
VB4-160 |
167 |
VB4-170 |
177 |
B |
1560 |
4 |
| NZW-4(1550) |
15 |
YE2-160M2-2 |
VB3-180 |
187 |
VB3-315 |
322 |
B |
1950 |
3 |
| NZW-4(1650) |
18.5 |
YE2-160L-2 |
VB4-150 |
157 |
VB4-250 |
257 |
B |
1950 |
4 |
| NZW-4(1750) |
22 |
YE2-180M-2 |
VB4-180 |
187 |
VB4-280 |
287 |
B |
1950 |
4 |
| NZW-4(1850) |
30 |
YE2-200L1-2 |
VC4-212 |
209.6 |
VC4-315 |
324.6 |
C |
1950 |
4 |
| NZW-4(1950) |
30 |
YE2-200L1-2 |
VC4-230 |
239.6 |
VC4-355 |
364.6 |
C |
1950 |
4 |
| NZW-6(650) |
3 |
YE2-100L2-4 |
VA2-85 |
91 |
VA2-180 |
186 |
A |
1550 |
2 |
| NZW-6(850) |
7.5 |
YE2-132M-4 |
VB4-125 |
132 |
VB4-200 |
207 |
B |
1760 |
4 |
| NZW-6(1050) |
11 |
YE2-160M-4 |
VB3-170 |
177 |
VB3-224 |
231 |
B |
1950 |
3 |
| NZW-6(1150) |
15 |
YE2-160L-4 |
VB4-170 |
177 |
VB4-200 |
207 |
B |
1950 |
4 |
| NZW-6(1250) |
22 |
YE2-180L-4 |
VC4-224 |
234 |
VC4-250 |
260 |
C |
1950 |
4 |
| NZW-6(1350) |
30 |
YE2-200L-4 |
VC4-250 |
260 |
VC4-265 |
275 |
C |
2195 |
4 |
| NZW-6(1550) |
37 |
YE2-225S-4 |
VC4-300 |
310 |
VC4-280 |
290 |
c |
2195 |
4 |
| NZW-8(650) |
7.5 |
YE2-160M-6 |
VB3-125 |
132 |
VB3-180 |
187 |
B |
1950 |
3 |
| NZW-8(850) |
15 |
YE2-180L-6 |
VB4-200 |
207 |
VB4-224 |
231 |
B |
1950 |
4 |
| NZW-8(1050) |
30 |
YE2-200L-4 |
VC4-224 |
233.6 |
VC4-315 |
324.6 |
C |
2420 |
4 |
| NZW-8(1150) |
37 |
YE2-225S-4 |
VC4-280 |
289.6 |
VC4-355 |
364.6 |
c |
2420 |
4 |
| NZW-8(1250) |
55 |
YE2-250M-4 |
VC4-280 |
289.6 |
VC4-315 |
324.6 |
c |
2420 |
4 |
| NZW-8(1350) |
75 |
YE2-280S-4 |
VD4-355 |
371.2 |
VD4-375 |
391.2 |
D |
2740 |
4 |
| NZW-10(650) |
11 |
YE2-160L-6 |
VB4-140 |
147 |
VB4-200 |
207 |
B |
1950 |
4 |
| NZW-10(850) |
22 |
YE2-200L2-6 |
VC4-224 |
233.6 |
VC4-250 |
259.6 |
C |
2195 |
4 |
| NZW-10(1050) |
45 |
YE2-225M-4 |
VC4-250 |
259.6 |
VC4-355 |
364.6 |
c |
2420 |
4 |
| NZW-10(1150) |
55 |
YE2-250M-4 |
VC4-315 |
324.6 |
VC4-400 |
409.6 |
c |
2715 |
4 |
| NZW-10(1250) |
75 |
YE2-280S-4 |
VD4-355 |
371.2 |
VD4-425 |
441.2 |
D |
2740 |
4 |
| NZW-10(1350) |
90 |
YE2-280M-4 |
VD4-355 |
371.2 |
VC4-375 |
391.2 |
D |
2740 |
4 |
| 标注:表中带轮符 |
合GB/T10412标准,三角带符合GB/T11544标准。 |
结构图纸
| 序号 |
零件名称 |
材料 |
序号 |
零件名称 |
材料 |
| GB |
GB |
| 1 |
进口法兰 |
HT200 |
8 |
泵体 |
HT200 |
| 2 |
进口阀片 |
NBR+Q235A |
9 |
叶轮上盖 |
HT200 |
| 3 |
注水盖 |
HT200 |
10 |
机械密封 |
WC/WC |
| 4 |
出口法兰 |
HT200 |
11 |
〇形圈 |
NBR/FPM |
| 5 |
端盖 |
HT200 |
12 |
泵轴 |
3Crl3 |
| 6 |
磨损盘 |
45 |
13 |
轴承体 |
HT200 |
| QT400-18 |
14 |
轴承盖 |
HT200 |
| 7 |
叶轮 |
QT400-18 |
15 |
进水管闷盖 |
HT200 |
| ZG0Crl8Ni9 |
16 |
进水管 |
HT200 |
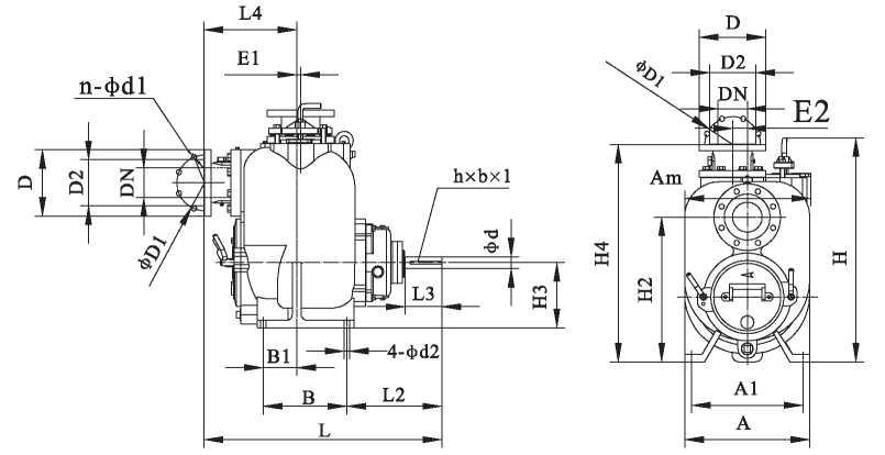
安装尺寸本数据仅供参考,请以实际订货为准!
| 项目 |
NZW-2 |
NZW-3 |
NZW-4 |
NZW-6 |
NZW-8 |
NZW-10 |
| 法兰 联接 尺寸 (mm) |
PN |
PN0.6MPa |
PNl.0MPa |
PN1.6MPa |
| DN |
50 |
80 |
100 |
150 |
200 |
250 |
| D |
140 |
190 |
220 |
285 |
340 |
405 |
| D1 |
110 |
150 |
180 |
240 |
295 |
355 |
| D2 |
90 |
128 |
158 |
214 |
266 |
320 |
| n-dl |
4-ф14 |
4-ф19 |
8-ф19 |
8-ф23 |
8-ф23 |
12-ф26 |
| 泵安 装尺 寸 (mm) |
H2 |
318 |
431.8 |
495.3 |
574.3 |
723.8 |
639.8 |
| A |
308 |
377 |
428 |
580.0 |
716.0 |
705.0 |
| A1 |
281 |
328 |
373 |
527.0 |
635.0 |
635.0 |
| B |
163.2 |
228.6 |
279.4 |
279.4 |
304.8 |
304.80 |
| B1 |
54 |
76.2 |
110 |
77.8 |
101.6 |
101.6 |
| L2 |
274.8 |
285 |
326 |
294.0 |
407.1 |
320.6 |
| d2 |
ф14 |
ф18 |
ф18 |
ф18 |
24 |
ф24 |
| H3 |
151.5 |
190.5 |
222.2 |
257.2 |
330.2 |
355.6 |
| L3 |
104 |
102 |
127 |
127.0 |
170.0 |
123 |
| d |
ф38 |
ф38 |
ф38 |
ф38 |
ф48 |
ф48 |
| hxbxl |
10x5x95 |
10x5x80 |
10x5x90 |
10x5x90 |
14x5.5x127 |
14x5.5x120 |
| 外形 尺寸 (mm) |
H |
552 |
697.5 |
760 |
875 |
989.0 |
1017 |
| Am |
321 |
389 |
429 |
580.0 |
716.0 |
786.0 |
| H4 |
502 |
652 |
735 |
887.7 |
1069.3 |
1047.8 |
| L |
615 |
712.2 |
813.5 |
906.6 |
1023.0 |
1244.7 |
| L4 |
233 |
277 |
318 |
411 |
412.8 |
720.9 |
| El |
27.5 |
15 |
13 |
0 |
0 |
0 |
| E2 |
70 |
50 |
50 |
50 |
0 |
0 |
| 重量 Wt. (kg) |
99 |
190 |
275 |
438 |
655 |
705 |
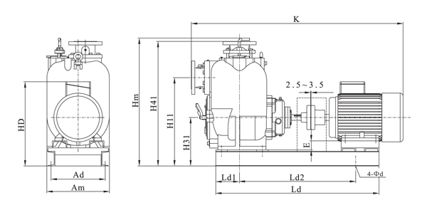
直联传动泵组外形、安装尺寸
| 型号 |
转速 |
配套电机 |
安装尺寸 |
夕卜形尺寸 |
| RPM |
kW |
型号 |
Ad |
Ldl |
Ld2 |
d |
Hll |
H31 |
H41 |
K |
Am |
Hm |
HD |
E |
Ld |
| NZW-2 |
1450 |
1.5 |
YE2-90L-4 |
300 |
77.5 |
617 |
20 |
428 |
261.5 |
612 |
986 |
341 |
662 |
416.5 |
61.5 |
772 |
| 2900 |
9.2 |
YE2-132S-2 |
300 |
77.5 |
695 |
20 |
428 |
261.5 |
612 |
1110 |
341 |
662 |
471.5 |
19.5 |
850 |
| 750 |
1.5 |
YE2-112M-8 |
330 |
120 |
621 |
20 |
541.8 |
300.5 |
762.2 |
1134 |
370 |
800 |
490.5 |
78.5 |
861 |
| NZW-3 |
950 |
1.5 |
YE2-100L-6 |
330 |
120 |
614 |
20 |
541.8 |
300.5 |
762.2 |
1119 |
370 |
800 |
480.5 |
90.5 |
854 |
| 1450 |
5.5 |
YE2-132S1-4 |
330 |
120 |
660 |
20 |
541.8 |
300.5 |
762.2 |
1204 |
370 |
800 |
510.5 |
58.5 |
900 |
| 750 |
1.5 |
YE2-112M-8 |
370 |
150 |
663 |
20 |
605.3 |
332.2 |
843.6 |
1236 |
430 |
887.3 |
522.2 |
110.2 |
963 |
| NZW-4 |
950 |
3 |
YE2-132S-6 |
370 |
150 |
702 |
20 |
605.3 |
332.2 |
843.6 |
1306 |
430 |
887.3 |
542.2 |
90.2 |
1002 |
| 1450 |
11 |
YE2-160M-4 |
370 |
150 |
821 |
20 |
605,3 |
332.2 |
843.6 |
1451 |
430 |
887.3 |
587.2 |
62.2 |
1121 |
| 750 |
4 |
YE2-160M1-8 |
510 |
150 |
784 |
20 |
710.3 |
393.2 |
1023.7 |
1544 |
590 |
1024 |
648.2 |
97.2 |
1084 |
| NZW-6 |
950 |
7.5 |
YE2-160M-6 |
510 |
150 |
784 |
20 |
710.3 |
393.2 |
1023.7 |
1544 |
590 |
1024 |
648.2 |
97.2 |
1084 |
| 1450 |
30 |
YE2-200L-4 |
510 |
150 |
905 |
20 |
710.3 |
393.2 |
1023.7 |
1705 |
590 |
1024 |
698.2 |
57.2 |
1205 |
| 750 |
11 |
YE2-180L-8 |
640 |
150 |
1050 |
24 |
904 |
510.2 |
1250 |
1767 |
716 |
1250 |
790 |
150.2 |
1350 |
| NZW-8 |
950 |
22 |
YE2-200L2-6 |
640 |
150 |
1085 |
24 |
904 |
510.2 |
1250 |
1769 |
716 |
1250 |
815 |
130.2 |
1385 |
| 1450 |
75 |
YE2-280S-4 |
640 |
150 |
1264 |
24 |
904 |
510.2 |
1250 |
2012 |
716 |
1250 |
1020 |
50.2 |
1564 |
| 750 |
15 |
YE2-200L-8 |
640 |
150 |
1050 |
24 |
820 |
535.6 |
1227.8 |
2020 |
786 |
1228 |
880.6 |
155.6 |
1350 |
| NZW-10 |
950 |
30 |
YE2-225M-6 |
640 |
150 |
1050 |
24 |
820 |
535.6 |
1227.8 |
2095 |
786 |
1228 |
865.6 |
130.6 |
1350 |
| 1450 |
90 |
YE2-280M-4 |
640 |
150 |
1240 |
24 |
820 |
535.6 |
1227.8 |
2285 |
786 |
1228 |
935.6 |
75.6 |
1540 |
三角带轮传动泵组外形、安装尺寸
| 型号 |
配套电机 |
安装尺寸 |
外形尺寸 |
| kW |
电机型号 |
Ad |
Ldl |
Ld2 |
d |
Hll |
H31 |
H41 |
L |
长Ld |
宽K |
高Hm |
Am |
HD |
E |
| NZW-2(1150) |
1.1 |
YE2-90S-4 |
375 |
100 |
515 |
20 |
438 |
271.5 |
622 |
350 |
715 |
655 |
672 |
423 |
375 |
72 |
| NZW-2(1750) |
3 |
YE2-100L-2 |
359 |
100 |
550 |
20 |
438 |
271.5 |
622 |
375 |
750 |
655 |
672 |
407 |
410 |
62 |
| NZW-2(2050) |
4 |
YE2-112M-2 |
352 |
100 |
560 |
20 |
438 |
271.5 |
622 |
363 |
760 |
655 |
672 |
400 |
432 |
50 |
| NZW-2(2350) |
7.5 |
YE2-132S2-2 |
313 |
100 |
670 |
20 |
438 |
271.5 |
622 |
451 |
870 |
655 |
672 |
361 |
472 |
30 |
| NZW-2(2650) |
7.5 |
YE2-132S2-2 |
313 |
100 |
650 |
20 |
438 |
271.5 |
622 |
433 |
850 |
655 |
672 |
361 |
472 |
30 |
|
| NZW-3(650) |
0.75 |
YE2-80M2-4 |
467 |
100 |
609 |
20 |
552 |
310.5 |
772 |
428 |
808 |
752 |
818 |
514 |
355 |
121 |
| NZW-3(850) |
1.5 |
YE2-90L-4 |
451 |
100 |
651 |
20 |
552 |
310.5 |
772 |
460 |
854 |
752 |
818 |
498 |
375 |
111 |
| NZW-3(1050) |
3 |
YE2-100L2-4 |
435 |
100 |
662 |
20 |
552 |
310.5 |
772 |
459 |
866 |
752 |
818 |
482 |
410 |
101 |
| NZW-3(1150) |
4 |
YE2-112M-4 |
428 |
100 |
767 |
20 |
552 |
310.5 |
772 |
540 |
967 |
752 |
818 |
475 |
432 |
89 |
| NZW-3(1250) |
4 |
YE2-112M-4 |
428 |
100 |
774 |
20 |
552 |
310.5 |
772 |
548 |
974 |
752 |
818 |
475 |
432 |
89 |
| NZW-3(1350) |
5.5 |
YE2-132S1-4 |
389 |
100 |
756 |
20 |
552 |
310.5 |
772 |
514 |
956 |
752 |
818 |
436 |
472 |
69 |
| NZW-3(1550) |
7.5 |
YE2-132S2-2 |
389 |
100 |
675 |
20 |
552 |
310.5 |
772 |
434 |
875 |
752 |
818 |
436 |
472 |
69 |
| NZW-3(1650) |
11 |
YE2-160M1-2 |
341 |
100 |
776 |
20 |
552 |
310.5 |
772 |
509 |
975 |
752 |
818 |
389 |
545 |
41 |
| NZW-3(1750) |
11 |
YE2-160M1-2 |
341 |
100 |
786 |
20 |
552 |
310.5 |
772 |
519 |
986 |
752 |
818 |
389 |
545 |
41 |
| NZW-3(1850) |
15 |
YE2-160M2-2 |
341 |
100 |
781 |
20 |
552 |
310.5 |
772 |
514 |
981 |
752 |
818 |
389 |
545 |
41 |
| NZW-3(1950) |
15 |
YE2-160M2-2 |
341 |
100 |
803 |
20 |
552 |
310.5 |
772 |
536 |
1003 |
752 |
818 |
389 |
545 |
41 |
| NZW-3(2050) |
18.5 |
YE2-160L-2 |
341 |
100 |
744 |
20 |
552 |
310.5 |
772 |
477 |
944 |
752 |
818 |
389 |
545 |
41 |
| NZW-3(2150) |
18.5 |
YE2-160L-2 |
341 |
100 |
753 |
20 |
552 |
310.5 |
772 |
486 |
953 |
752 |
818 |
389 |
545 |
41 |
|
| NZW-4(650) |
1.5 |
YE2-90L-4 |
545 |
100 |
722 |
20 |
635.3 |
362.2 |
875 |
499 |
922 |
855 |
900 |
600 |
395 |
142.2 |
| NZW-4(850) |
2.2 |
YE2-100L1-4 |
529 |
100 |
761 |
20 |
635.3 |
362.2 |
875 |
525 |
961 |
855 |
900 |
584 |
430 |
132.2 |
| NZW-4(1050) |
5.5 |
YE2-132S-4 |
483 |
100 |
818 |
20 |
635.3 |
362.2 |
875 |
543 |
1018 |
855 |
900 |
538 |
492 |
100.2 |
| NZW-4(1150) |
5.5 |
YE2-132S-4 |
483 |
100 |
830 |
20 |
635.3 |
362.2 |
875 |
555 |
1030 |
855 |
900 |
538 |
492 |
100.2 |
| NZW-4(1250) |
7.5 |
YE2-132M-4 |
483 |
100 |
840 |
20 |
635.3 |
362.2 |
875 |
565 |
1040 |
855 |
900 |
538 |
492 |
100.2 |
| NZW-4(1350) |
11 |
YE2-160M-4 |
436 |
100 |
818 |
20 |
635.3 |
362.2 |
875 |
521 |
1018 |
855 |
900 |
491 |
565 |
72.2 |
| NZW-4(1550) |
15 |
YE2-160M2-2 |
436 |
100 |
876 |
20 |
635.3 |
362.2 |
875 |
567 |
1076 |
855 |
900 |
491 |
565 |
72.2 |
| NZW-4(1650) |
18.5 |
YE2-160L-2 |
436 |
100 |
959 |
20 |
635.3 |
362.2 |
875 |
649 |
1159 |
855 |
900 |
491 |
565 |
72.2 |
| NZW-4(1750) |
22 |
YE2-180M-2 |
423 |
100 |
922 |
20 |
635.3 |
362.2 |
875 |
599 |
1122 |
855 |
900 |
478 |
610 |
52.2 |
| NZW-4(1850) |
30 |
YE2-200L1-2 |
413 |
100 |
900 |
20 |
635.3 |
362.2 |
875 |
547 |
1100 |
855 |
900 |
468 |
655 |
32.2 |
| NZW-4(1950) |
30 |
YE2-200L1-2 |
413 |
100 |
870 |
20 |
635.3 |
362.2 |
875 |
526 |
1070 |
855 |
900 |
468 |
655 |
32.2 |
|
| NZW-6(650) |
3 |
YE2-100L2-4 |
497 |
100 |
886 |
20 |
714.3 |
397.2 |
1027.7 |
562 |
1096 |
947 |
1030 |
552 |
462 |
135.2 |
| NZW-6(850) |
7.5 |
YE2-132M-4 |
451 |
100 |
970 |
20 |
714.3 |
397.2 |
1027.7 |
618 |
1180 |
947 |
1030 |
506 |
492 |
135.2 |
| NZW-6(1050) |
11 |
YE2-160M-4 |
404 |
100 |
1045 |
20 |
714.3 |
397.2 |
1027.7 |
659 |
1255 |
947 |
1030 |
459 |
565 |
107.2 |
| NZW-6(1150) |
15 |
YE2-160L-4 |
404 |
100 |
1061 |
20 |
714.3 |
397.2 |
1027.7 |
675 |
1271 |
947 |
1030 |
459 |
565 |
107.2 |
| NZW-6(1250) |
22 |
YE2-180L-4 |
391 |
100 |
1013 |
20 |
714.3 |
397.2 |
1027.7 |
596 |
1223 |
947 |
1030 |
446 |
610 |
87.2 |
| NZW-6(1350) |
30 |
YE2-200L-4 |
381 |
100 |
1130 |
20 |
714.3 |
397.2 |
1027.7 |
692 |
1340 |
947 |
1030 |
436 |
655 |
67.2 |
| NZW-6(1550) |
37 |
YE2-225S-4 |
335 |
100 |
1127 |
20 |
714.3 |
397.2 |
1027.7 |
662 |
1337 |
947 |
1030 |
390 |
710 |
42.2 |
|
| NZW-8(650) |
7.5 |
YE2-160M-6 |
614 |
150 |
1060 |
24 |
924 |
530.2 |
1269.3 |
733 |
1375 |
1043 |
1270 |
675 |
615 |
170.2 |
| NZW-8(850) |
15 |
YE2-180L-6 |
599 |
150 |
1000 |
24 |
924 |
530.2 |
1269.3 |
642 |
1315 |
1043 |
1270 |
660 |
660 |
150.2 |
| NZW-8(1050) |
30 |
YE2-200L-4 |
599 |
150 |
1200 |
24 |
924 |
530.2 |
1269.3 |
792 |
1515 |
1054 |
1270 |
660 |
705 |
130.2 |
| NZW-8(1150) |
37 |
YE2-225S-4 |
549 |
150 |
1130 |
24 |
924 |
530.2 |
1269.3 |
712 |
1445 |
1054 |
1270 |
610 |
760 |
105.2 |
| NZW-8(1250) |
55 |
YE2-250M-4 |
549 |
150 |
1150 |
24 |
924 |
530.2 |
1269.3 |
735 |
1465 |
1054 |
1270 |
610 |
820 |
80.2 |
| NZW-8(1350) |
75 |
YE2-280S-4 |
514 |
150 |
1260 |
24 |
924 |
530.2 |
1269.3 |
792 |
1575 |
1095 |
1270 |
575 |
890 |
50.2 |
|
| NZW-10(650) |
11 |
YE2-160L-6 |
529 |
150 |
1040 |
24 |
839.8 |
555.6 |
1247.8 |
704 |
1375 |
1270 |
1248 |
590 |
615 |
195.6 |
| NZW-10(850) |
22 |
YE2-200L2-6 |
509 |
150 |
1100 |
24 |
839.8 |
555.6 |
1247.8 |
725 |
1435 |
1280 |
1248 |
570 |
705 |
155.6 |
| NZW-10(1050) |
45 |
YE2-225M-4 |
459 |
150 |
1180 |
24 |
839.8 |
555.6 |
1247.8 |
743 |
1515 |
1280 |
1248 |
520 |
760 |
130.6 |
| NZW-10(1150) |
55 |
YE2-250M-4 |
489 |
150 |
1280 |
24 |
839.8 |
555.6 |
1247.8 |
798 |
1615 |
1280 |
1248 |
550 |
820 |
105.6 |
| NZW-10(1250) |
75 |
YE2-280S-4 |
539 |
150 |
1280 |
24 |
839.8 |
555.6 |
1247.8 |
738 |
1615 |
1320 |
1248 |
600 |
890 |
75.6 |
| NZW-10(1350) |
90 |
YE2-280M-4 |
554 |
150 |
1280 |
24 |
839.8 |
555.6 |
1247.8 |
792 |
1615 |
1320 |
1248 |
615 |
890 |
75.6 |
注意事项
- 吸入管可用软管和硬管,管路的材料必须适用输送液体,软管壁必须有足够的刚度,以防止吸入管凹瘪;
- 吸入管尽可能保持短而直,少用弯管及附件,弯管应使用较大半径的弯管;
- 浸入集水坑的吸入管离坑壁的距离应大于管径的1.5倍。吸入管不得安装在水流(可能存 在□涡)附近,否则应在吸入管与水流间增设一挡板,距离1.5倍的管径;
- 同一个集水坑如有二根以上吸入管,则管与管之间的距离应大于3倍管径;
- 吸入管液下深度:吸入管浸入液下深度与吸入管内液体流速有关,见图1。
- 可以通过扩大吸入管径,降低进水流速来减小吸入管浸入液下深度。 通过安装标准异径接头来扩大吸入管径,垂直扩径采用同心异径接头,水平扩径采用偏心异径接头,扩大管径比推荐1.3?1.5倍管径。
- 倒灌状态即泵的进口有压力,该进口压不得大于50%最大允许工作压力。
- 泵如配置滤网,滤网的过流面积是吸入管过流面积的4 - 6倍,而且保证滤网的最大通过颗粒直径小于泵的最大通过颗粒直径。
本数据仅供参考。