天津-凤江湖论坛,韶关栖凤阁论坛(全国信息),qm论坛品茶,51品茶全国一品楼,赣州51龙凤茶楼论坛

热线电话13916299677
图文传真021-66773338
电子邮箱sale@cnspump.com
  • jyd1
  • jyd2
  • jyd3
  • jyd4
  • jyd5

产品简介


JYSD系列液压隔膜式计量泵采用膜片作为液力端主要部件,膜片与泵头形成一个无动密封的泵腔。JYSD系列液压隔膜式计量泵工作原理与机械隔膜计量泵无异,唯独膜片由液压驱动,做往复运动。泵头与液压油仓可选配内置双隔膜报警装置,当第一层膜片破裂时即报警,同时第二层膜片任然可以保障物料不泄露,液压隔膜计量泵泵头可以正常工作。

 

产品优势


  1. 液压隔膜计量泵无动密封,无泄漏,维修简便;
  2. 工作压力可达30MPa,计量精度可达±1%;
  3. 液压隔膜计量泵流量大小控制通过调节;中程长度和变频器调速来实现,配:中 程调节器可以实现远程自动控制;
  4. 介质的使用温度不宜超过100℃,不宜低于-30℃,否则影响隔膜的使用寿命;
  5. 应用先进过载、限位、补油三阀机构,即保证液压腔内液压油的满足,又避免补油过量,防止液压;中击,从而使隔膜两侧受力平衡,提高隔膜的使用寿命,隔膜寿命可提高到8000h以上;
  6. 在输送特殊介质时,可采用双隔膜带隔膜破裂报警装置,防止隔膜破裂时,介质与液压油混合引起事故。

性能参数本数据仅供参考,请以实际订货为准!


JYSD系列液压隔膜式计量加药泵性能参数

型号 流量(L/H) 压力(Mpa) 柱塞直径(mm) 行程(mm) 泵速(min-1 电机功率(kw) 进出口径(DN) 重量(kg)
JYSD 40/40 40 40 16 40 100/150 4 10 200
JYSD 40/30 40 30 3
JYSD 65/28 65 28 20 4
JYSD 65/20 65 20 3
JYSD 100/28 100 28 4
JYSD 100/20 100 20 3
JYSD 160/18 160 18 25 4 15 210
JYSD 160/13 160 13 3
JYSD 265/11 265 11 32 4
JYSD 265/8.0 265 8.0 3
JYSD 340/8.5 340 8.5 36 4
JYSD 340/6.5 340 6.5 3
JYSD 420/6.8 420 6.8 40 4 20 220
JYSD 420/5.4 420 5.4 3
JYSD 540/5.6 540 5.6 45 4
JYSD 540/4.2 540 4.2 3
JYSD 670/4.5 670 4.5 50 4
JYSD 670/3.5 670 3.5 3
JYSD 820/3.8 820 3.8 55 4
JYSD 820/2.8 820 2.8 3
JYSD 985/3.2 985 3.2 60 4 25 240
JYSD 985/2.4 985 2.4 3
JYSD 1160/2.6 1160 2.6 65 4
JYSD 1160/2.0 1160 2.0 3
JYSD 1350/2.3 1350 2.3 70 4
JYSD 1350/1.6 1350 1.6 3
JYSD 1550/2.0 1550 2.0 75 4 32 256
JYSD 1550/1.4 1550 1.4 3
JYSD 1800/1.8 1800 1.8 80 4
JYSD 1800/1.2 1800 1.2 3

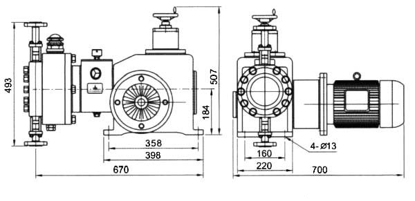
结构图纸


1-111230134T1G8

上一产品:
下一产品: